Beschrijving
Specificaties
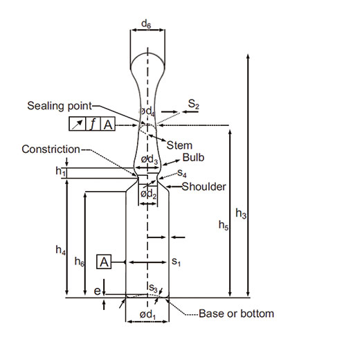
| Bodemhoogte (e) - mm | 1 ± 0,5 |
|---|---|
| Body (d1) - mm | 10,75 ± 0,15 |
| Bulb (d3) - mm | 8,5 ± 0,5 |
| Dikte (w4) - mm | 0,7 ± 0,1 |
| DIN ISO | DIN ISO 9187-1 |
| Dome (d6) - mm | 10 ± 1 |
| Funnel (d5) - mm | 9 ± 0,8 |
| Glasdikte bodem (w3) - mm | 0.3 |
| Glasdikte body (w1) - mm | 0,5 ± 0,03 |
| Glasdikte van stem meetpunt ( w2) - mm | 0,37 ± 0,05 |
| Hoogte (h1) - mm | 70 ± 1 |
| Hoogte (h4) - mm | 25,5 ± 0,5 |
| Hoogte (h5) - mm | 47 ± 2 |
| Hoogte (h6) - mm | 21 |
| Hydr. Klasse | Type 1 |
| Kleur | Amber |
| Materiaal | Glas |
| Midden vernauwing to bulp (h7) - mm | 4.5 |
| Nominaal volume - ml | 1 |
| Radius - mm | 1 ± 0,5 |
| Stem (d4) - mm | 6 ± 0,35 |
| Uitloop (d7) - mm | 8 ± 1 |
| Uitlooptolerantie (t) - mm | 0.6 |
| Uitvoering | Scoring |
| Vernauwing (d2) - mm | 6,5 ± 0,5 |
| Volume tot midden vernauwing (v) - ml | 1.5 |
| Vorm | Gesloten hals (Vorm D) |
Kenmerken
|
|
|
|
|
|
|
|
|
|
|
|
FAQ
Voor het kenbaar maken van uw inkoopopdracht kunt u uw inkoopopdrachten sturen naar purchase@apg-europe.eu.
Uw klantenteam, in Nederland, Belgie of Duitsland is verantwoordelijk voor het optimaal verwerken van uw inkoopopdrachten en het waarborgen van een uitmuntende service. Wij willen het u zo gemakkelijk mogelijk maken.
Ja, alle boekhouders en controllers werken met ons centrale SAP systeem voor de verwerking van handelstransacties. Factuuropvolging en factuurafhandeling zijn de verantwoordelijkheid van de desbetreffende APG Europe vestiging.
Ja. De facturatie voor geleverde goederen en services verloopt centraal vanuit ons SAP systeem. Alle facturen worden centraal aangemaakt en per email verzonden vanuit Nederland.
Ja zeker! Het beveiligde en afgeschermde klantportal van APG Europe heeft een directe link met SAP. Daardoor worden alle klanten in de gelegenheid gesteld om hun eigen relevante SAP gegevens en transactie gerelateerde documenten in te zien. Denk aan: prijslijsten, backlog, afroepcontracten, leverplannen, voorraad, batchnummers. Beschikbare documenten die u kunt downloaden: offertes, orderbevestigingen, facturen, retourorders, credits en certificaten.